- Dapatkan link
 - X
 - Aplikasi Lainnya
 
- Dapatkan link
 - X
 - Aplikasi Lainnya
 
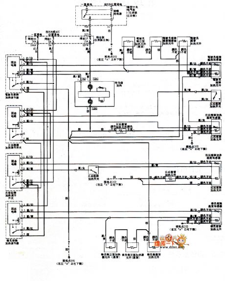
Audi A3 8p Heated Seat Wiring Diagram Audi A3 8p Wiring Diagram
Heated seat problem!! please help with wiring!!. Audi a3/s3/sportb/qu. (2013. Seat heated switch audi night last power thermostat 12v problem 
                              audi a3 8p heated seat wiring diagram
                  Download PDF                      
- Dapatkan link
 - X
 - Aplikasi Lainnya
 





Komentar
Posting Komentar